Skip to Main Content

Literature Form Request

Request your copy of Momentive literature by filling out the form below.

* - required fields.

This field is mandatory

Terms Of Use

This field is mandatory

シリコーン徹底解説

 

シリコーン製品

 

シリコーンはその多機能性と汎用性により、様々な業種で広く利用されています。以下に、いくつかのシリコーン製品を紹介します。

 

現在、モメンティブで取り扱っている液状シリコーンゴム製品です。

※以下文中には現在、廃番の製品も含まれます。代替品等に関しては、お気軽にお問い合わせください。

どの製品が最適か、ご相談に応じます。

液状シリコーンゴム

 

液状シリコーンゴムは、使用に際して大型の加工機械をほとんど必要とせず、大気中にさらしたり、若干加熱したりすることにより容易に硬化し、シリコーンゴムとなる製品です。

その開発の歴史は、1950年前半に縮合型2成分が開発され、続いて50年代後半に縮合型1成分の酢酸タイプが続き、60年代前半には付加型2成分形が開発されました。その後、縮合型1成分のオキシム、アルコール、アミノキシタイプ等が続々開発され、液状シリコーンゴムの基本的なもののラインナップが整いました。

70年代には、主に難燃性や導電性の特殊機能の付与や、塗膜、ゲル、フォームなどの性状の多様化や、LSRに代表される加工面の改良などが主になり、さらに最近では紫外線硬化などの新たな架橋システムを使った製品の開発へと発展してきました。

液状シリコーンゴムは、機械的な特性を除きシリコーンに要求される特性を持っており、施工や加工が容易なことから、建築、土木、電気・電子、自動車、事務用機器、航空・宇宙産業などにその応用分野を広げつつあります。また、最近では導電性や超耐熱性の液状シリコーンゴムやゲル状、フォーム状の製品ものも開発され、多様化を極めています。

 

液状シリコーンゴムの原料および製法

表1に、液状シリコーンゴムの主要原料を示します。

 

縮合型1成分液状シリコーンゴム

 

以下、この2つについてその性質などを述べます。

 

(1) 縮合型1成分液状シリコーンゴムの硬化機構

縮合型1成分液状シリコーンゴムの最も大きな特徴は接着性で、その硬化は次に示す主成分のシラノール(Si-OH)と架橋剤 Si-X との加水分解縮合反応で進みます。この反応において水分の存在は不可欠であり、また多くの場合、加水分解縮合反応を促進するための触媒を必要とします。

 

反応は、まず密閉下でポリマー末端が架橋剤で封鎖され(I)、一次的に安定化します。次に(I)が水分にさらされるとXの一部がOHと置換され(II)、さらに縮合反応が起こり架橋(III)します。以降、逐次これらの反応が進行してゴム状弾性体になります。

反応触媒として有機金属塩(スズ化合物が一般的)やアミン類を使うこともあり、また架橋剤としても表2に示すようなシラン化合物を用いる場合があり、それぞれ特徴を持った製品を生み出しています。

 

 

(2)縮合型1成分液状シリコーンゴムの性質

縮合型1成分液状シリコーンゴムは弾性接着剤であるという最大の特徴に加えて、次に示す特徴を持ちます。

●  シリコーンであるため温度による粘度変化が他の材料に比べて非常に小さいため、夏冬同様に作業ができる。

●  グリース状非流動性(ノンサグ型)のものから、半流動性(セミサグ型)、流動性(サグ型)と種々のタイプの製品がある。溶剤に溶かした溶液タイプのものもあります。

●   架橋剤の種類を変えることにより、硬化性や物性などの特徴を変えることができる。

●   硬化の際に発熱や吸熱がないため(図1)、周りの部材に熱ストレスや熱ショックを与えることが少ない。質量減少も少なく(図2)収縮率も小さい。

●    硬化後、温度による物性の変化が少なく、50~+200℃の広い温度範囲でゴム弾性を保持する(図3)。

●   耐候性、耐久性、電気特性などのシリコーンゴムの優れた特性を持つ(表3~5)。これらの表からわかるように、大きな変化は見られず、良好な結果を与えています。また、大部分の材質に対して良好な接着性を示す。プライマーを併用することによりさらに強固な接着性を示し耐久性も向上する(表6)。

●   耐薬品性にも優れる。

表8には機構の違いによる特性をまとめました。酢酸型は硬化が速く良好な接着性を示しますが、酢酸による金属や石材の腐食があります。オキシム型は種々の点でバランスの取れた機構で、国内では工業用、建築用ともに最も一般的な製品です。

 

 

アルコール型としては速乾性と遅乾性のものがあり、速乾性のものは工程時間の短い工業用として、遅乾性のものは比較的長い作業時間を要する建築用に適しています。また基材への腐食性が少なく、ポリカーボネートに良好な接着性を持ちます。

アセトン型は速乾性でかつ腐食性がないため、工業用に広く用いられています。アミド型、アミノキシ型は低モジュラスタイプの建築用、土木用のシーリング材やハイウェージョイントシール用として使われています。

これらの縮合型1成分液状シリコーンゴムは空気中の水分と反応して硬化するため、硬化は空気と接している面から起こり、順次内部へ進行します。そのため、その硬化速度はそのゴムの形状や架橋剤の違いに加えて、硬化時の温度、湿度の影響を受けます。特に湿度の影響は大きく、高温多湿下では硬化が速くなります。ただし、あまりにも高温多湿下では物性や硬化性の低下をきたすことがあります。図4に酢酸型、オキシム型、アルコール型(速乾性)の硬化速度の一例を示します。

 

図4 縮合型1成分液状シリコーンゴムの硬化速度 図4 縮合型1成分液状シリコーンゴムの硬化速度

 

縮合型1成分液状シリコーンゴムは空気中の水分と反応して硬化することから、深部硬化までには長時間を要し、密閉状態となるような条件下では硬化が進行しないため、その使い方に注意が必要です(図5参照方)。

 

図5 縮合型1成分液状シリコーンゴムの使用方法 図5 縮合型1成分液状シリコーンゴムの使用方法

 

縮合型1成分液状シリコーンゴムは、広範囲の基材に対して良好な接着性を持ちます。特にガラスやホウロウ、タイルには非常に良く接着し、またプライマーを併用することによりより優れた接着性(および耐久性)を得ることができます(表9)。

 

(3)縮合型1成分液状シリコーンゴム製品

縮合型1成分液状シリコーンゴムの当社標準製品を表10(工業用)および表11(建築用)に示します。

これらのうち、TSE384-B、TSE3843-WはULの難燃性試験で94V-0に認定された難燃グレードで、TSE3826は耐熱グレードです。トスシール73、トスシール83は防カビ性のシーリング材です。

特殊なものとしては、FIPG用液状シリコーンゴムとトスコートがあります。FIPGとは現場成形ガスケット(Formed-in-Place Gasket)の略で、従来の定形ガスケットの代わりに、液状ゴムをフランジ面に塗布し、その場で硬化させてガスケットとして用いるものです。ティーチング機構を組み込んだ自動吐出装置も開発され、特に自動車工業で実用化されています。

トスコートは、溶液タイプの液状シリコーンゴムで、弾性塗膜材として用いられ、従来の塗料に比べて格段に優れた耐候性、耐久性を生かして、屋根用のみならず、壁面や屋上防水用にも用いられています。

 

(4) 縮合型1成分液状シリコーンゴムの応用

縮合型1成分液状シリコーンゴムは、その接着性を活かして以下のような用途に使われます。

1)建築用シーリング材(カーテンウォールやガラス周りなど)

2)建築用弾性塗料(防錆、防水、保温など)

3)高速道路のジョイントシール

4)家庭用接着剤(バスタブ周り、ガラス周り、自動車の補修用など)5)プリント基板などの防湿コーティング

6)リード端末のシール

7)コードソケットのポッティングシール

8)部品の基板への接着

9)水槽のシール

10)自動車用の不定形ガスケット(FIPG)

11)ヒーター部の絶縁シール

12)電装品のポッティング

13)コンベアベルトなどの表面離型処理

 

縮合型1成分液状シリコーンゴム

(1) 縮合型2成分液状シリコーンゴムの硬化機構

縮合型2成分液状シリコーンゴムは本体と硬化剤の2成分から構成され、使用直前に両者を混合して使用します。その硬化機構は、1成分形と同様にシラノールと加水分解性基含有ケイ素化合物の縮合反応を利用しており、アルコキシシランが架橋剤としてが主に使われます。

アミノキシシロキサンを架橋剤として使用すると、硬化して低モジュラスで高伸長のシリコーンゴムが得られますが、これについては (5) で詳述します。

 

(2)縮合型2成分液状シリコーンゴムの性質

縮合型2成分液状シリコーンゴムは1成分形とは異なり、一般に接着性がなく良好な離型性を持つことが大きな特徴です。深部硬化性にも優れ、硬化剤の種類や量を変えることにより、硬化速度を調整することもでき(表12、図6参照方)、その特性については後述する付加型液状シリコーンゴムと比較して表13に示しています。

縮合型2成分液状シリコーンゴムを接着させるには一般的にプライマーを使いますが、最近では自己接着性のある製品も開発されています。

 

 

(3)縮合型2成分液状シリコーンゴム製品

縮合型2成分液状シリコーンゴムの標準製品を表14に示しています。

 


(4) 縮合型2成分液状シリコーンゴムの応用

縮合型2成分液状シリコーンゴムは、その性質を生かして次のような用途に用いられます。

 

  1. 1)型取り(美術工芸品、内装材、ボタン、スキンモールド用など)

  2. 2)歯科用印象材

  3. 3)高圧電気回路ポッティング

  4. 4)プリント基板絶縁

  5. 5)ディップコーティング

  6. 6)工業用ロール(ラミネーターなど)、成形材料

  7. 7)PPC複写機用ロール

  8. 8)接着シール

     

以上が主な用途となります。

 

(5)建築用縮合型2成分液状シリコーンゴム

アミノキシシロキサンを架橋剤とする2成分形液状シリコーンゴムは建築用に開発された製品です。副生するヒドロキシアミンが自己触媒性を持つため縮合触媒が不要で、架橋剤として2官能性のアミノキシシロキサンを併用することでポリマー鎖が延長され、1,500%前後の伸びを持つ超低モジュラスのゴムになります。

図7~9に、その代表的な製品であるトスシール361の特性を示しましたが、トスシール361は他の有機系シーリング材と比べて特性や粘度の温度依存性が少なく、繰り返し疲労に対しても耐久性に優れています。

表15に当社の持つアミノキシ型シーリング材を示します。この中には、溶剤に溶かし、弾性体の塗膜を形成するトスコートへの応用も併記されています。新しい壁材としての用途も定着しています。

建築用縮合型2成分液状シリコーンゴムの用途として重要なのがSSG(Structural Sealant Glazing)構法で、それには高めのモジュラスを持つトスシール62やアルコール型で自己接着性のあるTGS701などが使用されます。

 

 

付加型液状シリコーンゴム

付加型液状シリコーンゴムの硬化機構

付加型液状シリコーンゴムは、白金化合物触媒下、ビニル基を含有するポリシロキサンとSi-H結合を持つポリシロキサンとの付加反応により硬化するシリコーンゴムです。

 

 

上式に示すよう、硬化反応は副生物の生成なく表面および内部とも均質に進行し、温度を上げることにより短時間で硬化します(図12)。また、白金触媒の種類や量と反応抑制剤(遅延剤)の使用で硬化速度を自由に変えることができ、これらの技術を利用して室温硬化可能な製品や加熱硬化する製品、さらには1成分形や2成分形の製品が開発されています。

硬化時の注意点としては、白金触媒がアミン、有機リン化合物、イオウ化合物、有機スズ化合物などと触れると触媒活性を失うため、これら硬化阻害物質と接触しないような注意を払うことが必要です。

 

 

付加型液状シリコーンゴムの種類

表17に用途別の特性や特徴についてまとめました。

 

付加型液状シリコーンゴム製品

(1) ポッティング

電子部品の絶縁・保護・緩衝用に用いられ、注型して加熱硬化させる低粘度タイプの製品からなり、特に柔軟性を要求される用途にはゲル状に硬化する製品が用いられます。接着性や透明性、難燃性を付与した製品もあります(表19)。

 

ゲル状に硬化するシリコーンゲルは様々な用途での需要があり、数多くの製品が開発されています。これらのシリコーンゲルの特長と用途を表20に示します。

 

(2) コーティングおよび接着シール用

この用途には、あらかじめ接着付与剤が添加された自己接着タイプの付加型液状シリコーンゴムが使われ、コーティング用には流動性から半流動性、また接着シール用には主に半流動性から非流動性(チキソトロピー性)のものが用いられます。

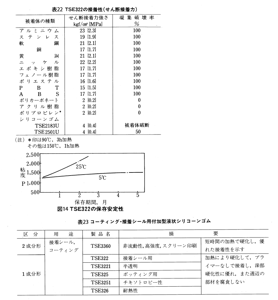
接着性の発現は加熱により起こり、加熱温度が高いほど、また加熱時間が長いほど良好な接着を示します。その関係をTSE322を例として表21に示します。また、表22に示すように種々の材質に対して良好な接着を示します。

 

縮合型1成分室温硬化液状シリコーンゴムと比べて、深部硬化性に優れる、金属に対する腐食がない、硬化の際に副生物がないなどの優れた特徴を持っており、その代表的な製品を表23に示します。

 

 

ジャンクションコーティング用

半導体の接合部保護のために使用されるコーティング材として付加型自己接着タイプのシリコーンゴム、中でもゲル状に硬化する製品が使われます。ナトリウム、カリウムなどのアルカリ金属イオンや塩素イオン濃度を厳しく管理する必要があることから、それらを管理したTSJシリーズを製品化しています(表24)。

 

 

型取り用

型取り用シリコーンゴムには、流動性、脱泡性、離型性が要求され、複雑な型の場合は特に機械的な強度も要求されます。プロトタイプ型の成形に用いる高強度タイプや長尺物で複雑なパーティングラインの型取りに必要な透明タイプなどがあります(表26)。

 

 LIM用

ミラブル型シリコーンゴムで作っていた成形品を液状ゴムの射出成形(LIM、Liquid Injection Molding)で作るために開発された加熱硬化型液状シリコーンゴムがLSRと呼ばれるもので、ミラブル型シリコーンゴムに匹敵するゴム物性を示します(第4編4章参照方)。代表的な製品を表27に示します。

 

LIM用付加型液状シリコーンゴム

 

紫外線硬化型液状シリコーンゴム

 UV硬化型液状シリコーンゴムの種類

代表的な紫外線(Ultraviolet Rays: UV)硬化型液状シリコーンゴムの硬化機構を以下に説明します。

a) 開始剤を紫外線分解させ発生したラジカルを利用:

 

開始剤を紫外線分解させ発生したラジカルを利用

 

b) 紫外線で分解または活性化した開始剤を触媒としたヒドロシリル化反応を利用:

 

紫外線で分解または活性化した開始剤を触媒としたヒドロシリル化反応を利用

 

c) ラジカル開始剤によるアクリル基を持ったシリコーンの重合反応を利用: 

 

ラジカル開始剤によるアクリル基を持ったシリコーンの重合反応を利用

 

d) UVでオニウム塩を分解して強酸を発生させ、これでエポキシ基を開環させて架橋させる方法: 

 

UVでオニウム塩を分解して強酸を発生させ、これでエポキシ基を開環させて架橋させる方法

 

e) ビニルシロキサンへのチオールの付加反応で架橋する方法:

ビニルシロキサンへのチオールの付加反応で架橋する方法

 

 UV硬化型液状シリコーンゴムの性質

当社のUV硬化型液状シリコーンゴムはこれらの硬化機構を用いて製品化しており、UV硬化の最大の特徴はその硬化時間が非常に速いことです。例えば、硬化機構としてラジカルタイプのTUV6020は80W/cmの高圧水銀灯で10cmの照射距離のとき、約10秒で硬化します。ただし、欠点として硬化厚みに制限があり、また外観も透明もしくは半透明のものに限られます。

硬化機構c,d,eに示す有機反応型のものは、低エネルギーのUVで硬化するものの、得られた硬化物の耐久性が通常のシリコーンゴムに比べて劣るため、あまり耐久性を必要としない剝離紙コーティング剤や繊維処理剤、平版印刷、フォトレジストなどに適しています。

 

UV硬化型液状シリコーンゴム製品

当社の標準的なUV硬化型液状シリコーンゴムを表28に示します。

 

導電性液状シリコーンゴム

 

液状シリコーンゴムにカーボン系、銀系、ニッケル系、金属酸化物系の導電性充填剤を配合した製品で、用途に応じて1成分形、2成分形、さらに縮合型、付加型など各種のタイプの製品があります。それらは10−3∼10Ω⋅cmの範囲の体積抵抗率を持ち、電気・電子用の帯電防止部品や導電部の接着やシール、およびクリーンルームの帯電防止用シールなどに使われます。

 

現在、モメンティブで取り扱っているシリコーンレジン製品です。

※以下文中には現在、廃番の製品も含まれます。代替品等に関しては、お気軽にお問い合わせください。どの製品が最適か、ご相談に応じます。

 

シリコーンレジン

シリコーンレジンの種類

シリコーンレジンは、分子中に3官能性あるいは4官能性シロキサン単位を多く持つシリコーンで、熱や触媒で硬化して、溶剤に不溶な硬い皮膜や成形品を形成します。優れた電気絶縁性と耐侯性を持つことから、電気機器の絶縁、耐熱塗料や耐候性塗料などに利用され、また優れた撥水性と離型性を持つことから、撥水剤や離型剤の原料として使われます。

純シリコーンレジン

2官能性と3官能性のシランを原料として作られるポリシロキサンのみからなるシリコーンレジンで(下図参照方)、通常50∼60%程度のキシレンやトルエンで希釈された製品です。

 

シリコーンレジン分子中にシラノール基などが存在するため、溶剤乾燥後200~250℃下、これら官能基を反応させることにより硬化します。有機酸金属塩やアミン類を触媒として加えることにより、低い温度で硬化させることもできます。

シリコーンレジン中間体

シリコーンレジン中間体は、水酸基やアルコキシ基をもった低分子量ポリシロキサンで、有機樹脂の変性用に開発されたレジンです。

シリコーン変性レジン

あらかじめシリコーンレジンとアルキッド樹脂、 ポリエステル樹脂、 アクリル樹脂またはエポキシ樹脂とを反応させたレジンです。

(1) シリコーンアルキドレジン

アルキッド樹脂に含まれる C-OH や COOH とシリコーンレジン中間体に含まれるシラノール基などを反応させ作られたレジンです。

アルキッド樹脂で変性することにより150℃程度の加熱温度で硬化でき、耐溶剤性、密着性も向上します。 また、特殊な官能基を持ったアルキッド樹脂で変性したレジンは、触媒として金属石けんを加えることにより常温で硬化するため、加熱できない屋外建造物保護のための塗料として使われます。

(2) シリコーンエポキシレジン

シリコーンレジン中間体とエポキシ樹脂とを反応させ作られたレジンで、耐酸性・耐熱性が要求される用途に使われます。

(3) シリコーンポリエステルレジン

シリコーンレジン中間体とポリエステル樹脂のアルコール性水酸基を反応させて作られたレジンで、硬化することにより折り曲げ抵抗力に優れた硬い塗膜となります。耐候性にも優れるため、屋外で使われる変圧器のコイルコートとしても使用可能です。

(4) その他のシリコーン変性レジン

アクリル樹脂、 フェノール樹脂、 ポリウタレン樹脂、メラミン樹脂などで変性した製品も用意しており、それぞれ目的に応じた塗膜特性を必要とする用途に使われます。例えば、アクリル樹脂で変性されたレジンは、アクリル樹脂の塗膜特性をさらに向上させ、耐溶剤性、耐薬品性、 耐候性に優れた強じんな塗膜を形成します。

 

無溶剤シリコーンレジン

トルエン、キシレン、アルコールなどの溶剤を含まない無溶剤タイプのシリコーンレジンです。溶剤を含まないため、省資源化や労働環境の改善に寄与します。

無溶剤シリコーンレジンとして ①常温で液状、 ②固形あるいは粉末状のレジンを用意しています。

 

シリコーンレジンの硬化方法

① 加熱によるSi-OHの脱水縮合、② 有機過酸化物によるラジカル反応、③ 白金触媒下でのSi-CH=CH2と Si-Hとの付加反応、および ④ 紫外線照射による硬化方法があります。例えば、剥離紙用コーティング剤は③、シリコーンハードコートでは①及び④の硬化方法が一般的です。


    

シリコーンレジンの性質

純シリコーンレジンの組成と物性との関係

2官能性と3官能性のシランを原料として作られるポリシロキサンのみからなるシリコーンレジンの物性は原料シランの選択、例えば、有機基の割合(R/Si)やフェニル基の含有率によって決定されます(図1参照方)。

 

耐熱性

シリコーンレジンは、硬化後180~200℃の温度下で連続使用できる耐熱性を持ち、 間けつ的には300℃の温度にも耐えることができます。そのデータを他のレジンと比較して図2(加熱減量)および図3(屈曲性、耐熱き裂性)に示します。

この様にシリコーンレジンは耐熱性に優れているため、アルキッド樹脂などにシリコーンレジンを配合することで、アルキッド樹脂の耐熱性が改善され、高温にさらされても高い光沢性を保持する塗膜を得ることを可能にします(図4参照方)。

電気特性

シリコーンレジンは電気絶縁性にも優れ、誘電率、誘電正接の温度および周波数依存性が小さく、また耐アーク性、 耐コロナ性にも優れます(図5~図8参照方)。

耐湿・耐水性

シリコーンレジンの硬化した塗膜は耐水性、 耐湿性にも優れます。ただし、基本的にはシロキサン骨格から成るため、湿気やガスの透過率が高く、電気絶縁に使用する場合には吸湿性の少ない材料と組み合わせることを勧めます。

 

耐薬品性

耐薬品性は必ずしも有機樹脂より優れているとはいえません。そのため、耐薬品性が要求される用途には有機樹脂で変性することを勧めます(表3参照方)。

 

耐候性

シリコーンレジンは優れた耐候性を持ちます。ただし、機械的強さ、素地への密着性の観点から、シリコーン変性レジンがより一般的に使われます(図10、図11参照方)。

 

難燃性

シリコーンレジンは、有機基含有量(R/Si)が少ないため、難燃性にも優れます。

これは有機基含有量(R/Si)が少ないことに起因し、一般的なプラスチックは酸素濃度が20~29%の範囲で燃えるものの、シリコーンレジンでは35%以上の酸素濃度を必要とします。

 

電気用シリコーンレジンの製品と応用

シリコーンレジンは、分子中に3官能性あるいは4官能性シロキサン単位を多く持つシリコーンで、熱や触媒で硬化して、溶剤に不溶な硬い皮膜や成形品を形成します。優れた電気絶縁性と耐侯性を持つことから、電気機器の絶縁、耐熱塗料や耐候性塗料などに利用され、また優れた撥水性と離型性を持つことから、撥水剤や離型剤の原料として使われます。

 

布管用シリコーンレジン

シリコーンレジンをガラスクロスやスリーブに塗布し、自動車のエンジンまわり、ガスコンロ、ガス釜、ガス湯わかし器など、耐熱性が要求される配線の絶縁材として使われます。

レジンとして、樹脂状硬化物になる製品からエラストマー状になる製品を用意しています(表6参照方)。

 

コイル含浸用シリコーンレジン

電気機器のコイルまたは組立て後に機器全体を含浸し、熱で硬化して絶縁膜を形成させるために使われるレジンです。

 

マイカ接着用シリコーンレジン

マイカ粉からマイカ板を製造するために使用されます。① 柔軟なマイカ板製造用レジン、② 硬いマイカ製品用レジン、③ 無煙マイカ板用レジンなどがあります。

 

積層板用シリコーンワニス

ガラス繊維、マイカなどの無機質材料と組み合わせて、 耐熱性および電気絶縁性に優れた積層板に用いるシリコーンレジンです。

 

塗料用シリコーンレジンの製品と応用

純シリコーンレジン

シロキサンのみから成るシリコーンレジンは耐熱性に優れ、プライマーと組合わせることにより、耐熱顔料や基材との密着が向上した塗料が得られます。また、アルミニウム粉やフリットと組合わせで、500℃から600℃まで耐えうる塗料を作ることが可能です(写真1参照方)。

 

写真1 アルミ塗料の耐熱性 (ガスバーナーで加熱)

塗料用シリコーン中間体

塗料用シリコーン中間体は、有機樹脂の変性材料として使用されます。シリコーン中間体の持つメトキシ基や水酸基などの官能基を利用して有機樹脂の変性を行います。

純シリコーンレジン

有機樹脂で変性されたシリコーンレジンとしては、シリコーンアルキッドとシリコーンポリエステルが一般的で、耐紫外線性、耐侯性の要求される塗料ビークルとして使われます。ポリエステルで変性されたレジンは、耐熱性、光沢性維持性に優れ、変色も少ない塗料のビークルとして使われます(表7参照方)。

 

シリコーンパウダー

シルセスキオキサン構造からなるシリコーンパウダー “トスパール” は、単分散状の粒子径を持った球状パウダーです(写真2参照方)。

トスパールは、①凝集しにくい、②撥水性が優れる、③潤滑性に優れる、④有機溶剤に不溶、⑤1900℃の高温下でも不溶融で、球状を保ったままセラミックスパウダーになる、⑨マイナス帯電量が大きい、などの特徴を持ちます。

これらの性質を利用して、塗料・インキ、合成樹脂、化粧品、製紙、顔料、セラミックス、グリース、トナーなどに添加し、改質することを可能にします。プラスチックスフィルムのブロッキング防止やスべリ性向上、化粧品では顔料の分散性向上、肌への延び改善、テカリを抑えソフトフォーカスにする、などの目的で使われます。

 

現在、モメンティブで取り扱っているシラン製品です。

※以下文中には現在、廃番の製品も含まれます。代替品等に関しては、お気軽にお問い合わせください。どの製品が最適か、ご相談に応じます。

シラン

有機ケイ素化合物は、①から⑤に示す性質に起因して特異的な反応性をもつことから様々な分野に使われています。

 

①   Si上の求核置換反応は、対応する炭素原子上の反応よりきわめて速い

 

②   Siは電気的に陰性な元素 (O、F) と強い結合を作る。

③  Si-C結合は、 Siに関して β位にある炭素陽イオンを安定化する

 

④   Siは隣接する炭素上の陰イオンを安定化する

 

⑤   C-H結合と異なり、Si-H結合は オレフィン、 アセチレン誘導体と反応して付加物を与える

また、Si-Si結合については次のような性質があります。

 

⑥ 二重、 三重結合といった多重結合をつくりにくい

 

⑥  結合エネルギーが小さく、 光によって分解されやすい

 

特異的な反応性を利用した有機ケイ素化合物の用途は次のようです。

 

(1) 有機化合物の修飾

(2) 無機化合物の表面改質

(3) 有機化合物と無機化合物の複合化

 

⑤に示す性質を利用してバラエティに富んだ有機ケイ素化合物を合成することができます。

 

R1CH=CH2+HSiR2R3R4 → R1CH2CH2SiR2R3R4

            触媒

以下に、代表的な有機ケイ素化合物の性質および用途について述べます。

 

クロロシラン

メチルクロロシラン

メチルクロロシランは、直接法により金属ケイ素と塩化メチルを銅または塩化第1銅を触媒として合成されます。

 

フェニルクロロシラン

フェニルクロロシランもメチルクロロシラン同様、金属ケイ素とクロロベンゼンから直接法によって合成されます。

 

クロロシランの応用例

メチルクロロシラン、フェニルクロロシランなどのクロロシランは、そのほとんどがシリコーン製品製造のための原料となります。 また、クロロシランのSi-C1結合はきわめて反応性に富むため、種々の反応に利用されます。

 

医薬品合成工程での活性水素保護

医薬品中間体に含まれる水酸基(-OH), アミノ基 (-NH), カルボキシル基(-COOH)などの活性水素を一旦シリル化(R3 Si-)して保護することにより 医薬品を効率よく製造するために使われ、市場が広がってます。

 

医薬の種類反応基シリル化剤
ペニシリン -COOH,-NH2Me3SiCl
セファロスポリン -COOH,-NH2Me3SiCl
プロスタグランジン-OHt-BuMe2SiCl

液体クロマトグラフィー用充填剤

液体クロマトグラフィー用カラムの充填剤処理に長鎖アルキル基をもつクロロシランが使われます。このようなクロロシランで処理された充填剤を使うことにより、医薬品、低分子量蛋白質、オリゴヌクレオチドなどの効率よく分析・分取できるカラムが作られます。

 

その他

クロロシランはその他の用途にも利用され、例えば メチルトリクロロシランはCV(Chemical Vapor Deposition) 法によるセラミックス製造の原料として、トリクロロシランは高純度シリコンウェーハをつくるためのポリシリコン製造の原料として使われます。

 

アルコキシシラン

アルコキシシランは、一般的にクロロシランをアルコールと反応させることにより合成され、R, Si (OR') -m で示される化学構造を持ちます。このアルコキシ基 OR' は水と接触し容易にシラノール基 (Si-OH) になります。生成したシラノール基は無機材料表面 (M-OH)との間でオキサン結合 (Si-O-M) を形成し、 無機材料と結合します。 R 基として疎水性を持つメチル基、 フェニル基、 オクタデシル基などがあり、無機材料表面の改質、 たとえば撥水性、離型性、分散性、分離性、耐擦傷性の向上および凝集防止などに幅広く利用されます。

代表的なアルコキシシラン

当社ではとくにエレクトロニクスグレードとして TSL8113E, TSL8112Eなどを製品化しています。電気伝導度, 金属分含有量, C1 分含有量をきわめて低レベルに管理したグレードで、イオン性不純物の存在が問題とされるような用途に最適です。

アルコキシシランの応用例

ハードコート剤

TSL8113と TSL8114を共加水分解することにより、または TSL8113の加水分解物とコロイダルシリカを組合わせることにより、ハードコート剤を製造することができます。ハードコート剤はプラスチックスなどの表面処理に使われ、耐擦傷性、耐湿性、耐薬品性、耐溶剤性などを向上させます。

 

液体クロマトグラフィーのカラム充填剤処理剤

オクタデシル基を有する TSL8185、TSL8186は、他のクロロシランと同様にシリカゲルなどの無機材料を効率よく疎水化処理でき、液体クロマトグラフィーやガスクロマトグラフィーのカラム充填剤の処理などに広く応用されます。

 

浸透性シラン系防水材

アルコキシシランは一般に、 コンクリートやモルタルなどの基材の毛細管空隙に深く浸透し、強力な防水層を形成して吸水、 凍害、 塩害、 紫外線などによる建造物の劣化を防止する働きがあります。当社では、このようなアルコキシシランの性質を積極的に利用した浸透型シラン系防水材 ″ トスバリア100″ を用意しています。

 

オレフィン重合触媒への応用

ポリプロピレンなどのポリオレフィン製造時、TSL8172、TSL8173などを触媒とともに加えることにより、分子量分布や結晶性などのポリマー性状の優れた重合体を得ることができます。さらに、ポリオレフィン製造の工程短縮にも寄与します。

 

シラザン

Si-N-Si結合をもつ有機ケイ素化合物で、一般的には対応するクロロシランとアンモニアとの反応で合成されます。シラザンは容易に加水分解やアルコリシスして、それぞれシラノール、アルコキシシランになります。そのため、シラザンはクロロシランやアルコキシシランと同様な用途に利用されます。

 

代表的なシラザン

下の表は代表的なシラザン化合物の物性です。

製品名化学 学名構造式性状沸点 ℃屈折率比重
TSL8802ヘキサメチルジシラザンMeзSiNHSiMe3液体126 1271.4080.774

 

シランカップリング剤

シランカップリング剤は、官能基を持った有機基と無機材料などと反応することができる加水分解性基を持った分子構造を持ちます。その結果、 図1に示すように有シラン有機機材料と無機材料との間に介在して、 両者を結合させる役割を果たすことができます。 この性質を利用して、有機・無機複合系からなる材料の改質 (機械的強度の向上、耐水性の向上および浸水後の電気特性の改善など) に幅広く利用されます。

 

代表的なシランカップリング剤

シランカップリング剤は、当初ガラス繊維強化プラスチック (FRP) に用いられているガラス繊維の処理剤として使用されました。 その後、 新しいシランカップリング剤が開発され、 現在ではレジンコンクリート、 シェルモールド、塗料、 プライマー、 接着剤など、 無機材料と有機材料からなる複合材料には、 ほとんどの場合使使用されます。 高度化しつつある市場からの要求に対応するため、無機材料と結合する置換基が2個のシランカップリング剤も製品化され、シランカップリング剤を配合した樹脂などの保存安定性を改善する目的と、無機材料との結合に柔軟性を持たせることを目的で使用されます。さらに、同一分子中に有機材料と結合する同種あるいは異種の官能基を複数個含むシランカップリング剤や、 無機材料と結合する加水分解性基の数を倍増させたシランカップリング剤も製品化しています。

 

シランカップリング剤の応用例

(1) エポキシ樹脂系

電気特性を改善する目的で、各種電気製品、 コンピューターなどに用いられるプリント基板用ガラスエポキシ積層板製造に使用します。

 

(2) 各種エラストマー

白色フィラーと呼ばれるシリカ、 炭酸カルシウムなどを配合したEPDM、 NBR、 イソプレンゴム製造に使われます。 シランカップリング剤をゴムに配合することにより、白色フィラーの分散性および補強性を改善します。

 

(3) プライマー

シランカップリング剤のもつ性質を最も積極的に利用した用途としてプライマーがあります。プライマーは、無機材料や金属への有機材料の接着、 有機材料どうしの接着のために使われます。

 

(4) シラン架橋ポリエチレン

ビニル基を持ったシランカップリング剤は、ポリエチレンへのグラフト重合され、加水分解性のあるアルコキシ基を持った架橋ポリエチレン製造に利用されます。得られた架橋ポリエチレンは、 成形後沸騰水に浸漬するなどの方法で架橋させることができ、ポリエチレンの物理特性を改善に役立っています。従来の架橋方法に比べ、少ない設備コストやエネルギー消費でポリエチレンの架橋が可能になりました。

 

反応性シロキサンオリゴマー

反応性シロキサンオリゴマーは、 有機ポリマーのシリコーンによる変性を目的に新しく開発された、反応性のあるジメチルシロキサン低重合体です。 末端部分に化学的に活性な有機官能基をもつことを特徴とし、図1に示すように、官能基の配置によって、 片末端タイプ、両末端タイプの2つがあります。

 

図2に示すように、 片末端タイプは有機ポリマーにシロキサン鎖をグラフト状に導入することができ、 両末端タイプはブロック状に組み込むことができます。官能基としてアミノ基、 メルカプト基、 メタクリル基、 エポキシ基などを容易しています。

 

反応性シロキサンオリゴマーは、有機変性シリコーンオイルに比べて低分子量であるため、 有機ポリマーや溶剤への相溶性が良く、また官能基の反応性にも優れます。しかも、末端部分のみに官能基をもつため、 反応が制御しやすく、 設計どおりの変性構造を得ることができます。シリコーンの持つ優れた耐熱性、耐摩耗性、柔軟性、 ガス透過性などの性質を持った有機ポリマー製造が可能になります。

 

現在、モメンティブで取り扱っているシリコーンオイル製品です。

※以下文中には現在、廃番の製品も含まれます。代替品等に関しては、お気軽にお問い合わせください。どの製品が最適か、ご相談に応じます。

 

シリコーンオイル

シリコーンオイルは、シリコーンの中でも最も汎用性の高い製品であり、その優れた性質を活用して、幅広い分野で工業材料として使われています。以下に、シリコーンオイルの性質と用途について解説いたします。

 

分子構造 図1

シリコーンオイルの種類

シリコーンオイルは通常、図1のような直鎖状の分子構造からなり、ケイ素原子(Si)に結合する有機基(R,R1またはR2)の種類や、シロキサンの重合度(mおよびn)から、分類(あるいはグレード分け)されています。そして、シロキサン上の有機基の種類から、純シリコーンオイルと変性シリコーンオイルの二つに大別しています。

純シリコーンオイルとは、図1で有機基R1,R2としてメチル基、フェニル基および水素原子からなるものを指します。

R1, R2すべてメチル基のものが、ジメチルシリコーンオイルです。そのグレードは粘度によって分けられ、0.65cStから100万cStまで広範囲の粘度群からなる製品群を用意しています。

 

R1およびR2がフェニル基で置換されたものは、メチルフェニルシリコーンオイルと呼ばれ、フェニル基含有量の異なる製品群を用意しています。

R1がメチル基、R2が水素原子からなるものを、メチルハイドロジェンシリコーンオイル(H-オイルと略称されることもある)と呼びます。オイル中のSi-H結合は反応性に富み、活性水素を持つ水、アルコールや有機酸など、また不飽和結合を持つ有機化合物などと反応させることができます。

図1においてRが長鎖アルキル基、高級脂肪酸基、ポリオキシアルキレン基などの置換基を持つ製品を変性シリコーンオイルと言います。以下に代表的な変性シリコーンオイルについて述べます。

Rとして長鎖アルキル基またはアラルキル基を持つアルキル変性シリコーンオイルまたはアラルキル変性シリコーンオイルは、ジメチルシリコーンオイルより潤滑性の優れています。また、種々の有機物質との親和性に優れているため、ペインタブル性を持つシリコーンオイルとして知られています。

 

Rとして高級脂肪酸残基で変性されたシリコーンオイルは、アルキル変性シリコーンオイルと同様、潤滑性、溶解性に優れたオイルとなります。

Rとしてポリオキシアルキレン基を導入することにより界面特性を持ったシリコーンオイルが得られ、水溶性を持ったシリコーンオイルを得ることができます。これらはポリオキシアルキレン変性シリコーンオイルまたはシリコーンポリエーテル共重合体などと呼ばれ、その特異な界面特性を生かして、ウレタンフォーム製造時の整泡剤として使用されています。

これら以外にRとしてヒドロキシアルキル基、アミノアルキル基、エポキシ基含有有機基またはメルカプトアルキル基など、反応性を持った有機基を導入したシリコーンオイルも製品化されており、他の有機物質、樹脂あるいは繊維などに反応させ、シリコーンの特長(離型性や柔軟性など)をそれらに付加する目的で使用されます。

上記した変性シリコーンオイルに加え、使用目的に応じた変性シリコーンオイルが開発されています。

 

シリコーンオイルの性質

最も一般的なジメチルシリコーンオイルを中心に、シリコーンオイルの性質について以下に述べます。

 

1) 温度による粘度変化が少ない

 

2) 蒸気圧が低い

 

3) 引火点が高い

 

4) 流動点が低い

 

5) 温度による容積変化が大きい

 

6) 圧縮率が大きい

 

7) せん断抵抗性が大きい

 

8) 独特の潤滑性をもっている

 

9) 電気絶縁性に優れている

 

10) 表面張力が小さい

 

11) 撥水性がある

 

12) 離型性,非粘着性を付与する

 

13) 消泡性がある

 

14) 良好なつや出し性がある

 

15) 他の物質に溶解しにくい

 

16) 熱酸化安定性に優れる

 

17) 化学的安定性に優れる

 

18) 生理的に不活性である

 

表1にジメチルシリコーンオイルの代表的な特性値、表2には他の純シリコーンオイルの特性値を示します。

 

表1 表1
表2 表2

物理特性

粘度

シリコーンオイルの粘度は、オイルに含まれる有機基の種類と割合、そしてシロキサンの重合度によって決まります。図2にジメチルシリコーンオイルの重合度(分子量)と粘度との関係を示します。

ジメチルシリコーンオイルは、粘度が異なったオイルどうしを均一に混合でき、混合することにより希望する粘度を持つオイルの調製が可能です。図3に目安となる混合チャートを示します。

シリコーンオイルで最も注目すべき性質の一つは、温度による粘度の変化が少ないことです。ジメチルシリコーンオイルの温度による粘度変化は、鉱物油、動植物油、ジエステル油などの合成油と比べて著しく小さく、その粘度温度係数(Viscosity Temperature Coefficient、VTC)は0.6前後であり、メチルフェニルシリコーンオイルや変性シリコーンオイルのVTCより更に低い値を持っています。

 

凝固点(流動点)

ジメチルシリコーンオイルは、高粘度のもの(10,000cSt以上)を除いて、-50℃でも流動性を示します。少量のフェニル基を持ったメチルフェニルシリコーンオイルでは、-70℃の環境下でも流動性を保ちます。図4にフェニル基含有量が凝固点温度にどのように関係するかを示します。

 

比重 (容積) 変化

ジメチルシリコーンオイルの体膨張率は水や鉱物油などに比べて大きいため、温度の変化によって比重や容積が大きく変わります。鉱物油と比較してもこの変化は大きいため、シリコーンオイルをトランス封入油などに使用する際には、容積変化を考慮した設計が必要です。

 

比熱・熱伝導率

ジメチルシリコーンオイルの比熱は、粘度や温度によって若干の違いがありますが、25℃での値は約 0.35cal/・g℃で、これは水の約 1/3 に相当します。有機油の中では、比熱が非常に小さい部類に入ります。また、熱伝導率については、鉱物油と比較してやや高く、25℃で約 3.8×10-4 cal/s・cm・℃ 程度であり、水の約 1/4 です。粘度が増加するにつれて熱伝導率も上昇しますが、100cSt以上の粘度を持つものでは、熱伝導率はほぼ一定となります。

 

 蒸気圧

ジメチルシリコーンオイルの蒸気圧は、低粘度の製品を除き、非常に低いとされています。特に、1,000cSt以上の製品においては、蒸気圧は粘度の影響をほとんど受けず、ほぼ一定となります。

 

圧縮性

ジメチルシリコーンオイルは、一般的な有機油と比較して非常に高い圧縮率が大きく、圧力により容積が減少し粘度が急激に増加する特性を持っています(図5、図6参照方)。

この性質を利用して、ショックアブソーバーやダンパー油などに利用されます。

 

せん断に対する抵抗

加圧下で鉱物油や合成油などの作動油滑油を狭い隙間を通すと、せん断力によって分子が破壊され、その粘度が永久的に低下します。しかし、ジメチルシリコーンオイルはせん断による分子破壊の影響を受けにくく、見かけの粘度は低下するものの、永久的な粘度低下の少ないオイルです。

ジメチルシリコーンオイルを潤滑油として使用する場合、鋼境界に対する潤滑性は他の鉱油に比べて劣るため、油性向上剤や極圧添加剤などを組合わせる必要があります。ただし、アルミニウムや青銅の組み合わせ、木材同士、または様々なプラスチックの組み合わせや、負荷がそれほど大きくない軽潤滑条件下では、優れた潤滑油として機能します。

境界潤滑性を改善したシリコーンオイルとして、フルオロアルキル変性シリコーンオイル(フロロシリコーンオイル)、高級脂肪酸や高級アルキル基で変性したシリコーンオイルなどを用意しているため、潤滑目的に合せてシリコーンオイルの選択を行ってください。

 

表面張力

シリコーンオイルは、一般的な有機油や溶剤と比較して非常に低い表面張力を持っており、ジメチルシリコーンオイルでは21.2 dyn/cm以下と非常に低い表面張力です(図7参照方)。メチルフェニルシリコーンオイルやその他の変性シリコーンオイルでも、他の有機油に比べて小さい表面張力を持ちます。

シリコーンオイルの低い表面張力を活用する例として、ウレタンフォーム整泡剤として使われるシリコーンポリエーテル共重合体があります。これを添加することにより、ウレタンフォーム製造過程で原料成分の表面張力を下げ、泡を安定化させることができます。また、ジメチルシリコーンオイルは、その低い表面張力が消泡剤、離型剤、撥水剤などの用途に有利です。しかし、潤滑油や電気絶縁油として使用する場合は、広がりやすい性質(這いあがり現象)があるため、注意が必要です。

 

吸湿性

ジメチルシリコーンオイルは水に不溶です。しかし、吸湿性があり、50cStのオイルの場合、常温で約200ppm程度吸湿します。図8に相対湿度とジメチルシリコーンオイルの飽和吸水量との関係を示します。

このように吸湿性があるため、電気絶縁油として使用する際にはあらかじめ減圧下で加熱乾燥するなどの前処理が必要です。

 

離型性

シリコーンオイルは、表面張力が小さく、広がりやすい性質を持っています。そのため、型のあらゆる部分に均等に行きわたり、薄い油膜を形成します。さらに、多くの物質に対して親和性や溶解性が低いため、優れた離型性を示します。耐熱性にも優れるため、高温下でも型汚れを起こさず、長期間使用できる特長があります。そのため、ゴム、プラスチック、金属などの離型剤として広く利用されています。

 

消泡性

シリコーンオイルは、表面張力が低く、さまざまな物質との溶解性が小さいため、消泡剤として優れています。特に、シリコーンオイルは微量でも優れた消泡性を示す特長があります。

 

化学特性

ジメチルシリコーンオイルとメチルフェニルシリコーンオイルを中心に、その化学特性について以下に説明いたします。

 

ジメチルシリコーンオイルは、空気中での酸化に対して非常に安定であり、150℃以下では酸化がほどんど進行しません。180℃を超えると酸化が進行し、メチル基の酸化によるホルムアルデヒドやギ酸が発生します。同時に粘度上昇が起こり、長時間後ゲル化することがあります。実験室的には、200℃で約200時間、250℃で20〜50時間程度でゲル化することが確認されています。

メチルフェニルシリコーンオイルはジメチルシリコーンオイルよりも耐熱性に優れ、フェニル基含有量30モル%以上のオイルでは、300℃という高温下でも数百時間使用することができます。

そのようなシリコーンオイルでも、酸素のない高温(220℃以上)条件下では、主鎖であるシロキサン結合の切断(解重合)が起こり、低分子シロキサンの生成して粘度が低下することが観察されます。図9にジメチルシリコーンオイルの例を示します。

 

 

化学特性

ジメチルシリコーンオイルは、常温下濃度10%以下のアルカリ水溶液および30%以下の酸に接触しても、ほとんど影響を受けません。しかし、高温下では少量の酸またはアルカリとの接触でも、分解、増粘、ゲル化が進行します。また、アルミニウム、銅、ニッケル、ステンレスなどの金属との接触ではほとんど影響を受けないものの、鉛、セレン、テルルなどの金属との接触では高温にてゲル化するため、取扱いに注意が必要です。たとえば、ハンダと接触するような用途への使用は避けることを勧めます。

腐食性(他材料へのシリコーンオイルの影響)

ジメチルシリコーンオイルとメチルフェニルシリコーンオイルは通常の条件下では化学的に不活性であり、金属を腐食させることはありません。ゴムやプラスチックに対しても不活性ですが、ゴムに含まれている可塑剤をシリコーンオイルが抽出してしまうことがあるため、注意が必要です。

 

溶解性

ジメチルシリコーンオイルは、無極性溶剤には溶解しますが、極性溶剤には難溶です。また、粘度によっても溶解性は異なり、低粘度のものほど溶解しやすい傾向があります。メチルフェニルシリコーンオイルはジメチルシリコーンオイルよりも広範囲の溶剤に溶けやすく、シリコーンポリエーテル共重合体ではエタノールや水にさえ溶解することがあります。

ガス溶解性については、ジメチルシリコーンオイルは酸素、窒素、炭酸ガスなどの気体を鉱物油よりも多く溶解します。

 

電気特性

ジメチルシリコーンオイルは温度や周波数による電気特性の変化が少なく、かつ燃焼性が小さいため、優れた絶縁油として知られています。絶縁破壊の強さは鉱物油系の最良の絶縁油よりも優れており、35~40 kV(電極の直径25.4mm、2.5mm間隙)程度で安定した性能を持っています。ジメチルシリコーンオイルの電気特性を鉱物油と比較したデータを表3に示します。

ジメチルシリコーンオイルの絶縁油としての利点を挙げると、次のようになります。

 

  1. 1.鉱物油系の絶縁油に比べて、温度による粘度の変化や高温における絶縁性能の変化が少ない。
  2. 2.低温でも流動性を持ち、熱放散性に優れる。
  3. 3.表面張力が低いため濡れやすく、部品内部に浸透しやすい。
  4. 4.耐コロナ性に優れる。

 

しかし、ジメチルシリコーンオイルは、他の絶縁油より吸湿性が大きいため、使用する前に十分に乾燥し、絶縁材料からの水分や電気機器の気密など、水分管理に注意する必要があります。

 

耐熱放射線

シリコーンオイルにy線などの放射線が照射されると、分子間で架橋が起こり、粘度が上昇し、最終的にはゲル化します。ジメチルシリコーンオイルの耐放射線性は、一般的な有機油とほぼ同等ですが、フェニル基の含有量の大きいメチルフェニルシリコーンオイルは耐放射線性にも優れています。

 

安全性

さい油として知られています。

 

生理活性

シリコーンオイルは生理学的に不活性なオイルです。特にジメチルシリコーンオイルの場合、LD50値が50ml/kg以上であり、生態に対して非常に安全性の高い材料です(表4参照方)。

 

シリコーンオイルの応用

シリコーンオイルは多くの優れた性質を持つことから、その応用分野は非常に広範です。以下に代表的な用途を示します。

絶縁油

ジメチルシリコーンオイルの安定した電気特性、耐熱性、耐寒性などを活用して、車両用トランスやコンデンサーの絶縁油、OF(Oil Filled)ケーブルの絶縁油、トランジスターなどの電子部品の封入絶縁油。

液体カップリング

ジメチルシリコーンオイルの耐熱性、耐寒性、機械的なせん断安定性、および粘度の温度依存性の小さな特性を活用して、液体継手のカップリングオイル(ファンカップリングオイルなど)。

緩衝油

ジメチルシリコーンオイルの大きな圧縮率と緩衝作用を利用して、サーキットブレーカーやディーゼルエンジン、ドアチェッカー、電子機器、プレーヤーアーム、車両および航空機計器などのダンパー油。

潤滑油

カメラなどの光学機械、ミシン、編機などの精密機械の潤滑油、焼結合金やプラスチック製の無給油軸受などの含浸油。

熱媒

化学プラントや化学実験室などで、高温および低温下で使用する熱媒。

撥水剤および表面処理剤

消火器用粉末や化粧品用粉体の撥水処理、金属、ガラス、陶磁器、カーボン抵抗器などの表面処理。

 離型剤および内部添加剤

ゴム・プラスチック成形時の離型やシェルモールドの鋳型の製造、鋳物などの鋳造時の離型。また、複写機紙送りロールの離型など。

消泡剤

エンジンオイルやモーターオイルなどの潤滑油や切削用の発泡防止剤。また、石油精製時や蒸留工程時の消泡剤。

 

ワックス用

自動車用ワックス、ガラス磨き、靴クリームなど。

医療および化粧品

皮膚保護クリームや薬用軟膏の基油または添加剤、クリーム、ローション、口紅、リンス、ヘアケア商品の添加剤。

 

プラスチック添加剤

メチルハイドロジェンシリコーンオイル : ポリエチレンやポリプロピレンなどのオレフィン系樹脂の重合助触媒。ジメチルシリコーンオイル、メチルフェニルシリコーンオイルなど : プラスチック成形時の成形性向上や、自己潤滑性の熱可塑性樹脂(ILTP)の内部添加用。

 

塗料添加剤

低粘度ジメチルシリコーンオイル : 塗料やインキに微量添加することで塗の伸びを向上させ、顔料の浮きやゆず肌を防ぎ、塗膜の仕上りや光沢を改善。アミノ変性シリコーンオイル : 合板用塗料の塗膜プロッキングを防止。

 

ウレタンフォーム整泡剤

主に界面活性を持ったポリエーテル変性シリコーンオイルが使われる。軟質フォームおよび半硬質フォーム、断熱材として用いられる硬質フォームのいずれの場合にも使用され、ウレタンフォーム製造には欠かせない材料。

 

 

現在、モメンティブで取り扱っているシリコーンオイル応用製品です。

※以下文中には現在、廃番の製品も含まれます。代替品等に関しては、お気軽にお問い合わせください。どの製品が最適か、ご相談に応じます。

 


シリコーンオイル応用製品

離型シリコーン

ゴムやプラスチックなどの成形加工時、材料が金型などに接着または粘着するのを防ぐために、離型シリコーンが使われます。成形品の取り出しを容易にするだけでなく、成形品の表面美観も改善する効果があります。

離型シリコーンの特徴

1.表面張力が小さいため均一に広がりやすく、方の細部まで薄い皮膜を作る。

2.有機材料との親和性が小さいため、持続性のある離型性を持つ。

3.耐熱性に優れ、化学的に不活性であるため、金型および成形品を汚さない。

4.生理活性が低く、安全である。

これらの理由から、離型シリコーンはゴム、プラスチック、精密鋳造、陶器、繊維、紙、食品など、さまざまな用途での優れた離型剤として広く使用されています。

また、離型シリコーンは潤滑剤、柔軟剤、つや出し剤としても使うことができます。

離型シリコーンの種類

さまざまな用途に対応するため、オイル型、溶剤型、エマルジョン型、オイルコンパウンド型などの離型シリコーンがあります。

1.オイル型

  • 溶剤や水の使用ができない用途で、プラスチックスなどの材料に直接塗布することにより使用 
  • 通常は100~1,000cSt程度のジメチルシリコーンオイルが使用されるが、離型の持続性を必要とする場合は1    万~10万cSt程度の高粘度オイルが使われる。また、成形品を塗装するような用途には、ペインタブル性を持ったアルキル変性シリコーンオイルが用いられる。

 

2.溶液型

  • 水が使用できない場合や離型剤使用による金型の温度低下を嫌う場合に使用。
  • シェルモールド、ダイカスト、ゴム、繊維などの離型、熱可塑性樹脂および熱硬化性樹脂の離型。
  • 使用条件に応じて適切なオイルと希釈溶剤の異なる離型シリコーンの選択が必要。

 

3.エマルジョン型

  • 火災や衛生上安全な離型シリコーン。
  • 水が乾燥しにくいような離型用途には不向き。
  • シリコーンの特性を生かし、繊維の滑剤、ゴム製品の艶出しなどとしても利用可能。

 

4.オイルコンパウンド型

  • シリコーンオイルに微粉末シリカを配合したペースト状の離型剤。
  • 高温高圧下での離型、離型剤の流れや垂れを嫌う用途での離型に最適。
  • 大型のプラスチックス成形時の離型、合成繊維の溶融紡糸ノズルの離型などが主な用途。

 

エアゾル型

スプレー缶入りなので、吹き付け塗布が容易。PE、PP、ABS、PSなどの熱可塑性樹脂成形時の離型や、ナイロン、ポリエステルなどの合成繊維の溶融紡糸ノズルへの付着防止などに用いられる。また、ドアやレールへの滑剤、縫製糸の滑剤などしても使用されます。

 

焼き付け型離型シリコーン

加熱などによりシリコーンを架橋させ、その硬化皮膜を離型目的で使うのが焼き付け型離型シリコーンです。

 

レジン型

加熱硬化可能なシリコーンレジンを使った離型シリコーンで、長期間の離型効果を必要とする用途や、パン、ビスケットなどの食品加工時の離型用途に使用します。シリコーンレジンが構成成分であることから成形物への移行がなく、塗装や接着を必要とする成形品の離型にも最適です。使用する際には、金型に塗布後150~200℃程度の温度で数時間加熱し、焼付けをします。硬化触媒を併用することにより、常温~100℃程度の温度で焼付けすることもできます。

 

ゴム型

硬化後、皮膜がゴム状弾性体となるシリコーン離型剤で、長期間の離型効果を希望する用途や、シリコーン皮膜に柔軟性が要求される用途に用いられます。具体例として、紙・繊維・ゴム・プラスチックフィルムなどの表面に離型性を持たせるためにコーティングされる剥離紙用シリコーンがあります。

 

離型シリコーン使用上の注意点

離型シリコーンを使用する場合、次のようなことに注意する必要があります。

 

1.   食品包装容器やフィルムなどへの使用にあたっては、ポリオレフィン等衛生協議会または塩ビ食品衛生協議会のポジティブリストに適合する品種を選定する。

2.   溶剤またはエアゾル型の離型シリコーンを使用する際は、火気に十分注意し、作業場所の換気も十分に行う。

3.   触媒開封後は、湿気が入らないよう容器を密栓する。

4.   低温または高温下長期間保存すると、エマルジョン型シリコーンは分離することがある。

5.   メッキや塗装の後工程がある場合は、ペインタブル性のある離型剤を選択する。

 

離型シリコーンの選択基準

使用条件に対する離型用シリコーンの選択基準を表1に示します。

 

撥水シリコーン

シリコーンが撥水剤として優れている性質を次に示します。

 

1)水に対する接触角が大きく、撥水性が優れている。

2)表面張力が小さいため濡れやすく、基材上に均一な皮膜を形成できる。

3)通気性がある。

4)耐久性が良く、耐洗濯性、耐ドライクリーニング性に優れる。

 

応用される基材は、繊維、ガラス、ガラス繊維、セラミックス、建材、粉体など広い範囲にわたります。

 

撥水シリコーンの種類

撥水剤として用いられるシリコーンの形態には、離型シリコーンと同様にオイル型、エマルジョン型、溶液型などがあります。また、溶液型にはオイルおよびレジンをベースとするものがあり、用途、目的により適当なものを選ぶことができます。

 

オイル型

メチルハイドロジェンシリコーンオイルかジメチルシリコーンオイルのいずれかが使われ、撥水性を発揮させるため、基材上で加熱による焼付けを行います。ジメチルシリコーンオイルでは、200~300℃と高温に加熱することにより、メチルハイドロジェンシリコーンオイルでは150℃程度の加熱で撥水皮膜の形成が可能です。また、各種金属の有機酸塩を触媒として併用することにより、撥水皮膜形成を促進させることができます。

基材を撥水処理するために一般的に行われている方法としては、シリコーン分1~3%程度になるよう工業用ガソリンなどの溶剤で希釈し、触媒を加え、浸漬やスプレーなどする方法が取られます。

 

エマルジョン型

シリコーン分30~60%程度のエマルジョンであり、分散媒が水のため引火性がなく、安全衛生上の問題がないこと、他の樹脂加工剤と併用できることなどの利点があります。このタイプは繊維用撥水剤に用いられることが多く、通常100~150℃程度の加熱温度によって処理されます。

 

溶液型

シリコーンオイルまたはレジンをあらかじめ溶剤で希釈したもので、レジンに触媒などを添加し常温硬化を可能にした撥水剤も用意しており、繊維、ガラスやコンクリート、石材、レンガなどの建築材料用の撥水剤として使用されています。建築材料用撥水剤としては、特殊シランやメチルシリコーンレジンを基材とした溶液型撥水剤、ナトリウムまたはカリウムメチルシリコネートの水溶液の撥水剤も用意しています。

 

撥水シリコーンの応用

 

(1) 繊維への応用

縄、毛糸などの天然繊維や、ナイロン、ポリエステル、アクリルなどの合成繊維の撥水に使われます。シリコーンで撥水処理することにより、繊維の柔軟性も改善されしわになりにくくなります。また、繊維の引裂強度や摩耗強度などの機械的強度が改善され、縫製性が向上するという効果もあります。

シリコーンオイルとしては、通常、メチルハイドロジェンシリコーンオイルまたはそれとジメチルシリコーンオイルとを混合したものが用いられます。メチルハイドロジェンシリコーンオイルが多いほど焼付け温度が低くなり、撥水性も向上しますが、加工した繊維の触感はやや硬くなります。一方、ジメチルシリコーンオイルが多くなるにしたがい、織物の触感が柔らかくなり、縫製性も向上しますが、撥水性は低下します。

シリコーンによる繊維処理においては、従来からある撥水処理のみならず、防炎性の付与やオイルタッチコーティングなどといったいろいろな特性を付け加える加工・クロスコーティングも開発されています。

 

(2) ガラス・セラミックス

湿気による表面漏洩電流の防止や電気絶縁性の保持のため、ガラスやセラミックス製の電気部品材料をジメチルシリコーンオイルで表面処理します。また、注射液などの薬液をガラス壁に残すことなく取り出せるよう、ガラス製容器の内面に撥水皮膜を作るのにジメチルシリコーンオイルが使われます。

 

(3)建築

コンクリート、レンガ、石材などの建築材料、構造物の撥水処理にシリコーンが使用されます。コンクリートをシリコーンで処理すると、通気性のある撥水皮膜がコンクリート表面に形成されるため、雨に濡れても濡れ色を示さず、白華現象をも防止することができます。また、内部への水の浸透を防ぐことから、凍結によるモルタルの損傷を低減することができます。

これらの用途には、透性の良い特殊シランを用いた溶液型シリコーンや乾燥性の良いメチルシリコーンレジンから成るシリコーンが使われます。瓦や石膏ボードなどの撥水には、ナトリウムメチルシリコネートを主成分とした水溶性シリコーンが使われます。

 

(4) 粉体

ABC 消火器(粉末消火器)に使用される重炭酸ソーダ、第一リン酸アンモニウムなどの粉末処理のため、メチルハイドロジェンシリコーンオイルが使われます。これらを処理することにより、保存中に起こる吸湿による粉末の凝結防止し、ノズルからの吐噴性を改善します。農薬の担体として用いられるクレーやタルクなどの撥水処理にシリコーンが使われ、保存中の凝結を防止や散布時の吐噴性改善に役立っています。

 

消泡シリコーン

いろいろな工業において泡立ち(発泡)のために作業能率や収率が低下したり、品質が低下するケースは多く、そのため泡立ちを減らす、あるいは泡を消すことが必要不可欠です。その目的で使われるのが消泡シリコーンです。

一般に、泡とは液体または固体が気体を包みこんでいる状態のものを言い、その泡を消すための方法として、次のような方法が知られています。

 

1)物理的・機械的方法 温度、圧力を変化させる、攪拌、遠心力、超音波などの機械的な外力を加えるなどの方法。

2)化学的方法 ろ過、吸着、沈澱などにより起泡性物質を除去する、希釈により起泡性物質の濃度を下げる、起泡性物質を溶解またはこれと反応する物質を添加する、消泡性のある物質を添加するなどの方法。

 

これらのうち、消泡剤の添加による消泡手段は、作業能率が良く、経済的にも有利で、実用上きわめて有効な方法です。

消泡剤を添加した場合の消泡メカニズムとしては、表面張力が小さい消泡剤が泡膜に入り込み、局部的に泡膜の表面張力を低下させ、その部分が周囲の表面張力の大きい泡膜によって強く引かれて、泡の破壊が起こると考えられています。一方、抑泡メカニズムは、液に不溶でかつ表面張力の小さい抑泡剤が、発泡液表面に点在することにより、系の表面張力が不均一になり泡が形成できないためと考えられています。

一般に、シリコーンオイルは抑泡性(持続性)に優れますが、分散性に乏しいため破泡性(速効性)に乏しいというきらいがあります。この点を補う消泡剤として、エマルジョン型や溶液型の消泡シリコーンがあります。ここで消泡剤として必要な特性をまとめてみると次のようになります。

 

1)表面張力が小さいです。

2)発泡液への溶解性は小さいが、発泡物質に対してある程度の親和性を有する。

3)分散性に優れる。

 

またシリコーンが消泡剤として優れている点としては次のようなことが挙げられます。

 

  1. 化学的に安定で、発泡物質と反応しない。
  2. 耐熱性に優れ、不揮発性である。
  3. 生理活性がなく、一部の製品(ジメチルシリコーン)は食品添加物としても認可されている。また排水処理用としても環境汚染のリスクが少ない。
  4. 微量の添加で高い消泡効果が期待できる。

消泡シリコーンの種類

消泡シリコーンには、オイル型、溶液型、エマルジョン型、オイルコパウンド型などがあり、発泡液の種類や条件に応じて、その形態を選択することができます。

 

(1) オイル型消泡剤

100%オイル分であり、耐熱性に優れています。油性系で水や溶剤などの異物混入を嫌う場合に使用されます。発泡液が強酸または強アルカリで高温の場合には、変性シリコーンオイルが使用されます。

 

(2) 溶液型消泡剤

オイル型と同様、油性系の消泡に用いられるもので、使用の際の作業性および分散性を向上させるため、あらかじめ溶剤で希釈したものです。

 

(3) エマルジョン型消泡剤

シリコーンオイルを乳化剤を用いて乳化したもので、水系発泡液の消泡剤として用いられます。食品添加用、排水処理用などいろいろな用途に適するエマルジョン型消泡剤があります。

 

(4) オイルコンパウンド型消泡剤

より少量で消泡効果を発揮させるため、微粉末シリカをフィラーとして配合したものです。オイル型と同様、非水系で多く用いられます。

 

消泡シリコーンの応用

消泡シリコーンが用いられる分野について次に簡単に紹介します。

 

(1) 食品工業

食品の製造工程中に発生する泡を消す目的で用いられ、品質や収率の向上に役立ちます。応用例としては① 機械豆腐、包装豆腐の豆汁の煮沸工程、豆乳の充填工程、大豆油の搾油工程、大豆蛋白の製造工程など、②しょう油、発酵乳製品、グルタミン酸ソーダなど発酵工業における製造工程、③ジュース、コーヒーなどの機械による自動充填などが挙げられます。

消泡剤として、食品衛生法の基準に適合した消泡シリコーンの選択が必要で、その添加量も、食品 1kgに対しジメチルシリコーンオイルまたはシリコーン樹脂(食品衛生法に基づくシリコーンオイルとシリカの混合物の呼称)として0.05g以下と規定されています。また、消泡以外の目的で食品に添加してはならないとされています。

 

(2) 医薬品工業、化粧品工業

生理活性がないので、医薬品や化粧品の消泡に用いられます。

 

(3) 繊維工業

染色、精練、仕上げなどの工程における発泡防止に用いられるほか、加工用樹脂やラテックスに配合されて使用されます。また、染色工場の排水処理設備でも用いられます。

 

(4) 石油化学工業

石油精製、ペトロコークス製造工程、潤滑油や作動油などの製造工程、石油精製の脱硫工程での発砲防止に用いられます。また化学工業では、合成樹脂、ラテックスなどの重合、蒸留、洗浄の際の発泡に対して効果があり、装置の効率化、品質向上に役立っています。

 

(5) インキ塗料工業

塗装時のピンホール、印刷むらなどの原因となる泡に対して有効で、インキ、接着剤、塗料などの製造、配合の際に用いられます。

 

(6) パルプ製紙工業

パルプ加工工程、廃液工程、製紙工程などにおける発泡の抑制に用いられます。

 

(7) 排水処理

生活排水や工場排水などの処理施設で発生する泡の消泡に用いられます。シリコーン消泡剤は、微量の添加で良好な消泡性を示すので、BOD、CODの数値に大きく影響しない利点があります。

 

消泡シリコーン使用の際の注意点

(1) 希釈

消泡シリコーンは、通常微量の添加量(1~100ppm)で優れた消泡効果を示すため、水や溶剤で希釈して使用します。希釈することにより、添加量の調整が容易になり、分散効果も向上します。

 

(2) 添加量

添加量の決定は、まず有効成分で50ppm程度の消泡剤を加え、その消泡効果をみて増減する方法を勧めます。

 

(3)消泡シリコーンの選択

酸性、アルカリ性の強い高温発泡液には変性シリコーンオイルを基油とした消泡剤が適するなど、 発泡液の種類により、用いる消泡剤のタイプを選択することが必要です。

 

その他の応用製品

シリコーンオイルの応用のひとつにつや出し剤があります。これはシリコーンオイルの表面張力が低いこと、ぬれやすく、広がりやすいこと、潤滑性があるため塗布時の作業性を向上させることなどの特長を利用したものです。形態としては、エマルジョン型、溶液型、ペースト(ワックス)型など各種のものがあり、自動車ワックスや家具雑貨のつや出しに広く使用されています。

その他、シリコーンオイルの応用例としては、潤滑性をもった皮膜形成型シリコーンを注射針に処理して、刺通特性を改善する例や、織物にファッション性、防災性を与えるクロスコーティングの例などが挙げられます。

現在、モメンティブで取り扱っているシリコーンオイル応用製品です。

 

現在、モメンティブで取り扱っているシリコーングリース・シリコーンオイルコンパウンド製品です。

※以下文中には現在、廃番の製品も含まれます。代替品等に関しては、お気軽にお問い合わせください。どの製品が最適か、ご相談に応じます。


シリコーングリース

シリコーングリースとシリコーンオイルコンパウンドは、図1に示すような増ちょう剤、基油、および添加剤から成り立っており、これらの組み合わせによって種類と性能が決まります。増ちょう剤として金属石鹸系を用い、主に潤滑を目的として使用されるものをグリースと呼び、非石鹸系(金属石鹸以外)の増ちょう剤を用いたものをオイルコンパウンドと呼び、潤滑性を必要としない電気・電子機器などの電気絶縁・防水シールなどに使用します。

ただし、グリースとオイルコンパウンドの明確な区別はなく、電気接点の潤滑に用いられる製品や電子機器の放熱に使われる製品などは、それぞれ接点用グリース、放熱用グリースと呼ばれることもあります。

シリコーングリース・オイルコンパウンド構成成分

シリコーングリース・オイルコンパウンドの分類

基油による分類

基油となるシリコーンオイルとしては、ジメチルオイル、メチルフェニルオイル、アルキル変性オイル、フロロオイルがあります。

ジメチルオイルとしては、粘度の低い(100cSt以下)ものは離油度が大きく、粘度の高い(10万cSt以上)ものは粘着性が出るなどの欠点があるため、数cStから数十万cStの粘度範囲のものを一般的に使用します。

メチルフェニルオイルは、フェニル基の含有量によって低温用と高温用に使い分け、低温用のシリコングリース・オイルコンパウンドには、フェニル基の少ないオイルを、高温用には、フェニル基含有量が中程度のオイルを基油として使用します。

アルキル変性オイルは、シリコーンオイルの欠点である極圧潤滑性を改善するために、また、アルキル変性オイルはシリコーンゴムとの相溶性が悪く、シリコーンゴムを膨潤させないため、その性質を利用した製品の基油として使います。

フロロオイルは、シリコーン本来の特性に加え、潤滑性および耐薬品性を求める製品の基油として使います。

 

潤滑用シリコーングリースの性質

シリコーングリースに使われる増ちょう剤としては、良好な耐水性と高い融点を持ち、広い温度範囲で使用できるリチウム石けんを金属石けんとして一般的に使用します。また、基油としては前節に述べた各種のシリコーンオイルが使われます。

シリコーングリースは次のような特徴を持っています。

 

1)滴点(グリースの最高使用温度)が高い:シリコーングリースの滴点は一部の例外を除いて200℃以上で、石油系グリースに比べて著しく高い。

2)離油度と加熱減量が小さい:グリースの耐熱性、安定性を判断する上で重要な特性。シリコーングリースは石油系グリース、エステル系グリースなどに比べて、いずれも小さい値を示し、使用温度が高くなるほど、その差が拡大するため、耐熱性に優れる。

3)酸化安定性が優れている:シリコーングリースの酸化安定性は、石油系より著しく優れる(JIS K 2220に準じた酸化安定度試験の測定結果を図2に示す)。

4)低温特性に優れる:低温特性は基油の種類によって左右されるが、フェニル基の少ないメチルフェニルシリコーンオイルを用いたシリコーングリースでは、低温における始動トルクが小さい(図3にJIS K 2220に準じて低温トルクを測定した結果を示す)。

5) 耐水性が優れている:水中で数ヵ月放置してもほとんど変化せず、石油系グリースに比べて耐水性に優れる。

6)適用範囲が広い:シリコーングリースは化学的に不活性なため、プラスチックをはじめ各種材料に接触しても影響が少なく、広い範囲で使用可能。

7)極圧潤滑性に劣る: シリコーンオイルと同様に、一般にシリコーングリースの境界潤滑性は石油系グリースに比べて劣る。そのため、極圧条件下でシリコーングリースを使用する場合は、使用条件について事前に十分に検討することが必要(図4に、高速四球摩擦試験機で測定した鋼/鋼におけるシリコーングリースと石油系グリースの極圧潤滑性を示す。なお、シリカ増ちょうのシリコーングリースは、この方法では荷重10kgfで焼付いてしまい、摩耗痕の測定すら不可能)。

150度における酸化安定度  / 低温におけるトルクの変化
極圧潤滑性の比較

非石けん系シリコーングリースの性質

 

非石けん系シリコーングリースとは、シリカ粉、カーボンブラック、またはテフロン粉などを増ちょう剤とし、潤滑を目的とした製品のことです。増ちょう剤として金属石けんを使っていないため滴点がなく、200℃以上の高温下でも使用できる製品も実現可能です。特に、カーボンブラックやテフロン粉を増ちょう剤と使用すると優れ、約250℃の高温下でも使用可能になります。シリカ粉増ちょうの場合、極圧潤滑性に乏しいものの、プラスチックープラスチック、プラスチックー金属などの軽潤滑に優れるため、これらの潤滑、キシミ音防止、スイッチなどの電気接点の潤滑・防錆に使用します。

 

潤滑用シリコーングリースの応用

 

石けん系シリコーングリース

自動車工業を始め、航空機工業、電気・電子工業といった幅広い分野で使用されています。自動車工業では、ファンクラッチ、ブレーキ、スタータークラッチなど低温から高温という広い温度範囲の潤滑性が要求される用途に使います。電気・電子工業では、洗濯機や冷蔵庫を始めとする家電製品、OA機器、計測機器などの高温または低温における潤滑性が要求される部分に使用します。

 

非石けん系シリコーングリース

プラスチック同士の潤滑や、潤滑と防水シールを兼ねた箇所に使用されます。例えば、自動車工業では、電動ミラー、ベンチレーター、ルーバーなどの駆動部の潤滑とシールに、電気・電子工業では、プッシュスイッチ、ロータリースイッチなどの金属接点の潤滑や、スライド型ボリュームの摺動部に高級感を付与するために使用します。

 

シリコーンオイルコンパウンド

シリコーンオイルコンパウンドの性質

 

シリコーンオイルコンパウンドとは、各種のシリコーンオイルに微粉末シリカ粉を配合した電気絶縁用オイルコンパウンドや、金属酸化物を配合した放熱用オイルコンパウンドがその代表的なもので、シリコーン特有の優れた電気絶縁性と撥水性、耐候性を示し、耐薬品性が良く、物理的、化学的に長期間安定しています。

シリコーンオイルコンパウンドは製品の種類が多く、使用目的によって電気絶縁用、防水防湿シール用、放熱用などがあり、それらの性質も多少異なっています。

 

シリカ粉増ちょうオイルコンパウンド

(a) 硝子類の絶縁性低下防止: 海岸近くや工業地帯などで、硝子に塩や煙塵が付着すると、その絶縁性能が低下し、せん絡事故を起こすことがあります。その対策としてオイルコンパウンドが使用されます。オイルコンパウンドは、塩や煙塵をコンパウンド層にくるみ込んでしまうアメーバ作用があり、コンパウンド中のシリコーンオイルが表面ににじみ出て絶縁機能低下を防止します。

 

(b) 電気絶縁・防水・防湿・シール用: 絶縁材料のコネクターや空隙封止用に用い、吸湿や汚染による絶縁性能の低下防止を行います。自動車のプラグや電気機器、ケーブルなどの接続部の防湿シール、ゴム被覆電線のコロナ放電防止、通信機器や電線結合部の防湿・防錆シールなどが主な用途です。

そのほか、銀や銅への防錆効果を付与したオイルコンパウンド、シリコーンゴムを膨潤させないオイルコンパウンドや広い波長領域にわたって高い透明性を示す光学接合用オイルコンパウンドなどがあります。

 

金属酸化物増ちょうオイルコンパウンド

増ちょう剤として熱伝導性の優れた亜鉛華や酸化アルミニュームなどの金属酸化物を配合したオイルコンパウンドは、耐熱性に優れた放熱用として使用されています。200℃の発熱にも耐えるため、信頼性が要求される自動車電装品や半導体周りの放熱に使われます。

現在、モメンティブで取り扱っているミラブル型シリコーンゴム製品です。

※以下文中には現在、廃番の製品も含まれます。代替品等に関しては、お気軽にお問い合わせください。

どの製品が最適か、ご相談に応じます。


ミラブル型シリコーンゴム

 

シリコーンゴムは、性状が異なることからミラブル型シリコーンゴムと液状シリコーンゴムに大別できます。

ミラブル型シリコーンゴムは、高重合度(5,000〜10,000 シロキサン単位)の直鎖状ポリオルガノシロキサン(生ゴム)を主原料とし、それにシリカ系の補強性充填剤、種々の特性を付与するための各種添加剤を配合してベースコンパウンドを調製し、次いで過酸化物などの加硫剤を添加して加熱硬化するタイプのゴムです。ベースコンパウンドの可塑化、加硫剤や顔料の配合、シーティングなどがロール作業で行われ、次いで成形加工されることから、ミラブル型と呼びます。

また、加熱硬化を行うため、HCR(Heat Cured Rubber)、HVR(Heat Vulcanizing Rubber)或いはHTV(High Temperature Vulcanizing)などと呼ばれることもあります。

使用にあたっては、我々のようなシリコーンメーカーが供給する加硫剤が配合されていないコンパウンドに、成形加工できる設備を持った加工メーカーにて、加硫剤などを配合し成形加工を行い、シリコーンゴム部品を得るというのが一般的です。

ミラブル型シリコーンゴムの種類

 

ミラブル型シリコーンゴムの原料、架橋機構、成形加工、特性、応用などにつき、その概略を図1に示します。

ミラブル型シリコーンゴムの種類

ミラブル型シリコーンゴムの原料

 

シリコーンポリマー(生ゴム)

主原料であるシリコーンポリマー(生ゴム)は、分子量が約40万〜70万で、粘度が1000万 cP を越える粘ちょうな高重合体です。その種類と分子構造を表1に示します。

 

生ゴムの種類と分子構造

 

最も一般的に用いられている生ゴムは、メチルビニル系生ゴムで、系内のビニル基の量を変えることによって、表2に示すように、いろいろな特長をもったシリコーンゴムが得ることができます。

メチルフェニルビニル系生ゴムの場合、フェニル基を5~10モルパーセント導入することによって、シリコーンポリマーの結晶化が妨げられ、-90℃でもゴム状弾性を維持する製品ができます。

メチルフルオロアルキル系生ゴムは、ガソリンなどに対して耐油性を必要とする用途に使用します。ただし、電気特性、耐熱性では一般のシリコーンゴムに比べて若干劣ります(表3参照方)。

 

ビニル基量 モル%シリコーンゴムの種類
0.05-0.15高伸びゴム (800%以上), 低硬度ゴム
0.15-0.35一般ゴム, 低圧縮永久ひずみゴム
0.35-1.0高引裂強度ゴム
1.0以上自己接着性ゴム,プライマー

表2 ビニル基量とシリコーンゴム

 

 150°C,h175°C,h200°C,h
フロロシリコーンゴム20,0005,0004,000
メチルビニルシリコーンゴム30,00015,00010,000

表3 フロロシリコーンゴムの耐熱寿命

充填剤

表4に一般的にシリコーンゴムに配合される充填剤を示します。シリコーンゴムに欠かせない充填剤が煙霧質シリカと沈殿シリカで、補強性充填剤として使用します。これらのシリカは、非常に粒子径が小さく比表面積が大きいため、生ゴムに均一に配合することが難しいことから、それらを配合する際には、加工助剤の添加やシリカの表面処理などの手段を行います。そして、シリカの表面処理により次に示す特性改善をも可能にします。

1)短時間に均一にシリカを分散

2)シリカと生ゴムの親和性(熟成)時間を短縮

3)電気特性を向上

4)コンパウンドの可塑化戻りを減少

5)コンパウンドの流れ (押出性) を改善

6)耐密封性、耐水蒸気性などの向上

シリカ表面の結合モデル
シリコーンゴムに使用できる充填剤

 

一般的なシリカの表面処理剤としては図3に示すようで、生ゴムへの配合前あらかじめシリカを処理する方法や配合時処理する方法などが取られます。

 

煙霧質シリカは、沈殿シリカに比べ一時粒子が小さく、補強性に優れ、また不純物が少ないことから、電線用、押出成形用、耐密封用、ノンミリング用、難燃用、透明用などのミラブル型シリコーンゴムに使います。

沈殿シリカは、煙霧質シリカに比べ補強性が若干劣るものの、低コストで且つ反発性に優れたシリコーンゴムが得られることから、パッキングやキーパッドなどに使われるシリコーンゴムに使います。

図4に、煙霧質シリカの表面処理度がシリコーンゴムの特性にどのように影響するかを、表5には、表面処理が耐密封性にどのように影響するかを示します。

 

シリカの種類とシリコーンゴムの耐熱性
シリコーンゴム
シリカおよび処理シリカの耐密封性
カーボンブラック添加量と体積抵抗率との関係

 

カーボンブラックのような導電性を持つ充填剤を生ゴムに配合したのが導電性シリコーンゴムで、その導電性とシリコーンの特徴を利用して、パソコンなどのOA機器キーボードの電気接点部分や電磁波シールド材、帯電防止用部品に使用します。図5に、カーボンブラックの種類および配合量と体積抗率の関係を示します。

 

加硫剤

シリコーンゴムを硬化(加硫)は、有機過酸化物を利用したラジカル反応によるシロキサン鎖の架橋が一般的です。

 

加硫剤

 

有機過酸化物としては、アシル系パーオキサイドとアルキル系パーオキサイドがありますが、有機過酸化物の分解物に対する環境への懸念やシリコーンゴム特性への影響などから、アルキル系を使用します。それぞれの特徴を表7に示します。

 

有機過酸化物の種類と特徴

 

表7(この表から“2,4-ジクロロ”と“p-クロロ”を除く。特徴の欄から“HAVが可能”を除く)

白金触媒下、シロキサンポリマー中にあるビニル基とSi-H基の付加反応を利用した硬化方法も一般的に行われ、チューブや電線などのようにシリコーンゴムを連続的に加硫するのに便利な方法です。

 

特性向上剤

シリコーンゴムに使われるいくつかの特性向上剤を以下に述べます。

 

加工助剤

シリコーンゴムに配合する加工助剤として、末端にシラノール基やアルコキシ基をもった低分子シリコーンオイルや低分子レジンなどを使用します。これによって、①補強性充填剤の分散が容易になり、②補強性充填剤とポリマーの濡れ速度を増し(熟成期間の短縮)、③クレープ硬化(可塑化戻り)が防止(ノンミリング性)、④流れ性を改良、⑤物性を向上、⑥コンパウンドの可塑度を調節を可能にするなどの効果があります。

 

 耐熱向上剤

シリコーンゴムの耐熱向上剤として、金属酸化物や金属の有機酸塩を用います。表8に各種添加剤と耐熱性との関係を示しまたが、遷移金属系添加剤が非常に効果的であることを示しています。

シリコーンゴムの耐熱性には、シロキサンポリマー重合に用いる触媒やその残渣、ポリマーの末端基によっても耐熱性に差が生じます(図6、図7、表2・6・11参照方)。

 

各種添加剤の耐熱性
生ゴムの重合触媒
熱分解による分子量と重量の変化
ポリジメチルシロキサンの耐熱性に及ぼす末端基の効果

 

 難燃性付与剤

シリコーンゴムを難燃性にするには、有機材料の難燃化剤(ハロゲン化合物)を使用する方法とは異なり、微量の白金化合物を添加するだけで難燃性を達成可能にします。これは、白金がシリコーンゴム中のシロキサンポリマーの樹脂化を促すためです。図8に、白金を含むものと含まないものの加熱減量曲線を示します。さらにシロキサンポリマーの樹脂化を加速し難燃性を高めるため、酸化鉄、酸化チタン、カーボンブラック、リン化合物、窒素化合物などの併用が有効です。

 

白金化合物添加による加熱減量の変化

 

シリコーンゴムの成形法

シリコーンゴムの成形法として図9に示すような方法があります。

 

シリコーンゴムの成形法

 

型成形

通常の有機ゴムと同様に、加圧成形(プレス)、射出成形、トランスファー成形による方成形が適用でき、成形温度や成形時間は加硫剤の種類や製品の大きさに応じて決定します。

型成形後は、加硫剤の分解生成物を除き性質を安定化させるため、200℃で4時間程度の二次加硫をおこない、最終製品とします。O-リング、ガスケット、オイルシール、ダイヤフラム、ブーツなど、シリコーンゴムのほとんど大部分の製品は、この成形法で作ります。

 

押出成形

電線やチューブなどの連続形状のものは、押出機およびHAV炉あるいはCV炉からなる装置を用いて成形します。押出機にて成形したコンパウンドを、HAVの場合には250~300℃の温度で40~180秒間加熱し、加硫を行います。押出成形においても、製品の性質を安定化させるため、一般的に二次加硫が行われます。

 

カレンダー成形

シリコーンゴムは、カレンダーロールを用い長尺の薄いシートを製造することができます。ただし, シリコーンゴムコンパウンドはグリーン強度が弱いため、これに対する配慮が必要です。

 

 コーティング成形

コーティング成形は、シリコーンゴムコンパウンドをトルエンやキシレンなどに溶解した液を用いて、ガラスクロス、合成繊維布などの布に浸透塗布またはナイフ塗布を行い、ゴム引き布を作る方法です。

 

巻きむし成形

シリコーンゴムロールやホース類は、巻きむし法で成形します。これは、心金またはマンドレルに未加硫のシリコーンゴムのシートや布入りテープなどを巻きつけ、スチーム釜などで加硫する方法です。

 

シリコーンゴムの接着

未加硫のシリコーンゴムを用いて、金属、プラスチック、布などと接着させる場合は、被着体表面を清浄にした後、接着用プライマーを塗布し風乾し、これにシリコーンゴムコンパウンドを圧着し、加硫と同時に接着を完了します。加硫ゴムとの接着には、同種の未加硫ゴムを間に挟むか、液状シリコーンゴムを使用します。加硫シリコーンゴム同士の接着には、接着面に同種の未加硫シリコーンゴムを挟むかその溶液を塗布し、圧着、加熱加硫した後、アト加硫を行います。

また、プライマーを必要としない自己接着性シリコーンゴムも開発されています。

 

 

ミラブル型シリコーンゴムの性質

 

シリコーンゴムの最も重要な特長は、耐熱性が優れていることです。図10に示すように、一般のシリコーンゴムは特殊なシリコーンゴムとして、200℃の加熱でも著しい物性低下を示さず、長時間の使用に耐えることができます。電気用品取締法の絶縁物の上限温度でも、電源電線用を除きシリコーンゴムは無条件で180℃までの使用が認められています。

シリコーンゴムの寿命として、破断時伸びの絶対値が50%低下した状態と定義し、その寿命を推定したグラフを図11に示しますが、シリコーンゴムは高温下で長期間にわたり安定したゴム特性を示します。

しかし、密封条件下の加熱では軟化による劣化(リバージョン)が起こり、耐熱寿命が短くなる場合があります。この軟化現象は、シリコーンゴムの処方、使用する加硫剤の種類、アト加硫条件などを注意深く選択するすることにより、大きく改善するすることがでます。

 

200度の空気中における耐熱性 シリコーンゴムの耐熱寿命

 

耐寒性

然ゴムや一般の合成ゴムは、高温では軟化し低温では硬くなり、遂にはぜい化してしまいます。しかし、シリコーンゴムは、一般のもので-50℃、低温用グレードでは-90℃まで柔軟性を保持します(図12、図13参照方)。

 

 

機械特性

天然ゴムや一般の合成ゴムにくらべ、シリコーンゴムは常温での機械的特性に劣ります。しかし、常温ではシリコーンゴムより優れた機械的性質を持つ合成ゴムも、高温下で物性が低下し、その優劣が逆転します(表10、図14,図15参照方)。

 

ゴムの引張強さの温度特性 温度によるモジュラスの変化 シリコーンゴムの機械的性質

電気特性

シリコーンゴムの電気特性は、配合する充填剤や添加剤の種類によって大幅に変わるため、電気用グレードはこれらを考慮した処方になっています。表11に代表的な電気用シリコーンゴムの電気特性を示します。図16と図17にはそれぞれ体積抵抗率および誘電特性の温度による変化を示します。また、シリコーンゴムは周波数の変化によっても誘電率、誘電正接の変化が非常に小さい(図18)という特長があります。さらに、シリコーンゴムは高電圧下でのコロナ、アークなどの気中放電に対して非常に耐性が大きいため、高電圧印加部の絶縁体に多用されます(図19、図20)。

シリコーンゴムは特殊配合によって10Ω・cm以下の導電性にすることも可能で、シリコーンの特長である優れた耐熱性、耐候性、柔軟性、低圧縮永久ひずみ性を持った各種接点材料、高圧ケーブルのコロナ防止被覆、自動車用イグニッションケーブルの電波障害防止用導体に使われます。

 

電気用シリコーンゴムの電気特性 電気特性の温度による変化 体積抵抗率の温度による変化
シリコーンゴムの誘電特性の周波数による変化 絶縁材料の耐コロナ性 各種材料の耐アーク性

 

 耐オゾン・耐候性

シリコーンゴムは優れた耐オゾン性を持つため、オゾン濃度が高い環境下での使用にも適しています。オゾン濃度200ppmで有機ゴムと比較試験を行った結果を表12に示します。紫外線、オキシダント、酸性ガスなどを含む大気中での耐候性にも優れます(表13参照方)。

 

シリコーンゴムの耐オゾン性
各種加硫ゴムの長期間屋外暴露実験結果

 

難燃性

有機ゴムにくらべシリコーンゴムは燃えにくいですが、一度着火すると燃え続ける性質があります。この性質を抑え難燃化するため、白金化合物を少量添加することが行われます。

このような方法で難燃化したシリコーンゴムは、有機ハロゲン化化合物などの難燃化剤を含まないため、有毒ガスの発生が少ないという大きな特長を持ちます(表14)。

 

燃焼時の発生ガス

 

圧縮永久ひずみ

シリコーンゴムは、-50℃から+250℃という広範囲な温度で使用することができ、圧縮や変形に対して優れた復元性を示します。図21は、各温度における圧縮永久ひずみの値を有機ゴムと比較した一例を示しています。

 

ゴムの各温度における圧縮ひずみ

耐薬品性

シリコーンゴムは、濃厚な強酸や強アルカリには侵されますが、各種の酸、塩基、塩類などの無機薬品、アルコール、動植物油のような極性有機化合物には優れた耐性を持っています。また、ガソリン、トルエンなどの無極性溶剤との接触で膨潤するものの、溶剤が揮散すれば元の状態に戻ります。

図22に溶剤の溶解度パラメーターと各種ゴムの膨潤度(体積増加率)との関係を示します。ここで興味あるのは、ガソリンなどの無極性溶剤に対して優れた耐性を示すフルオロシリコーンゴムが極性溶剤に対して膨潤しやすいということを示しています。

 

溶剤の溶解度パラメーターとゴムの膨潤率の関係 各種ゴムの耐性と耐熱性の比較

耐放射線性

図24に示すように、シリコーンゴムは他の有機材料に比べ耐放射線性に優れているとは言えませんが、耐熱性や耐火災性などを加味した総合的な特性では、シリコーンゴムが最も優れています。この特性を活かして、原子力のコントロールケーブルにシリコーンゴムを使用します。また、高度な耐放射線性が必要な用途では、メチルフェニルビニルシリコーンゴムを使用します。

 

各種材料の耐放射線性

 

ガス透過性

シリコーンゴムのガス透過性は、他の有機ゴムやプラスチック類に比べて極めて大きいという特性があります(表15)。また、優れた選択的ガス透過性を示します(表16)。

 

熱的性質

シリコーンゴムの熱膨張は、有機ゴムに比べてやや大きく、その線膨張係数は2~3×10-4 /℃の範囲です。また、シリコーンゴムの熱伝導率はおよそ7×10-4 cal/cm・s・℃で、普通の有機ゴムのおよそ2倍です。比熱は0.28~0.35cal/g・℃の範囲で、一般に比重の高いものほど低くなります。

 

耐飽和水蒸気性

シリコーンゴムは、蒸気圧が5kgf/m²以上の状況下ではシロキサン結合の加水分解が急速に起こり、寿命が短くなります。

 

ミラブル型シリコーンゴムの応用

 

シリコーンゴムが主に使用されている分野を見てみましょう。

 

電線

単独の需要分野として最も量的に多いのは、電線の被覆材料としての用途です。シリコーンゴムは、その耐熱性、耐候性、高電気特性といった特長を生かして、電力用ケーブル、原子力発電所、船舶などのコントロールケーブル、電気機器の内部配線、モーターやテレビなどの口出し線、自動車のイグニッションケーブル、冷蔵庫やショーケースなどの霜取り用ヒーター線など、広範囲な分野で使われています。

 

自動車工業

トランスミッションのオイルシールを始め、各種ホース、パッキン類、プラグブーツ、コネクター、イグニッションケーブルなど、自動車に使用するゴムの量は非常に多いです。

 

電気機器

発電機やトランスなどの大型機器から、家庭用電気機器に至るまで、シリコーンゴムは非常に広範囲に使用されています。その具体的な例は表17に示されています。

 

電気機器への応用例

 

食品・医療用品

魔法瓶の栓や哺乳瓶のニップルなどは、シリコーンゴムの特性である無味、無臭、無毒性を生かした好例です。食品に関する分野では、自動販売機のチューブや圧力釜、コーヒーメーカーなどのパッキン類に使用されています。

また、医療用としては、人工心肺のホローファイバー、各種カテーテル、超音波診断用レンズ、薬栓などに使用されます。

 

 

参考文献

1) D. K. Thomas; Polymer, 13 (10), 497 (1972)

2) W. Noll; Chemistry and Technology of Silicones, pp.496 (1968)

3) B.B. Boonstra ほか ; Rubber Chem. Tech.,48,558 (1975)

4) 松本允ほか ; 東芝レビュー,34,547(1979)

5) 栗田温, 畑中正行; 東芝レビュー, 36,269 (1981)

6) 松本允, 畑中正行; 東芝レビュー, 33, 100 (1978)

7) S. M. Mezhikovskii; Vysokomol. Soed. A15, 〔6〕 1416~1420 (1973)

8) V. V. Rodé ほか ; Eur. Polymer J., 1969, 401~416

9) 鹿目彰: シリコーン樹脂, (1971, 工業調査会)

10) D.K. Thomas ほか ; J. IRI, 1969, August

11) ポリマーの友, 1981〔5〕,296